C4鋼(gang)
當前位(wèi)置:主頁(ye)>産品中(zhōng)心 > C4鋼
C4鋼(gang)法蘭
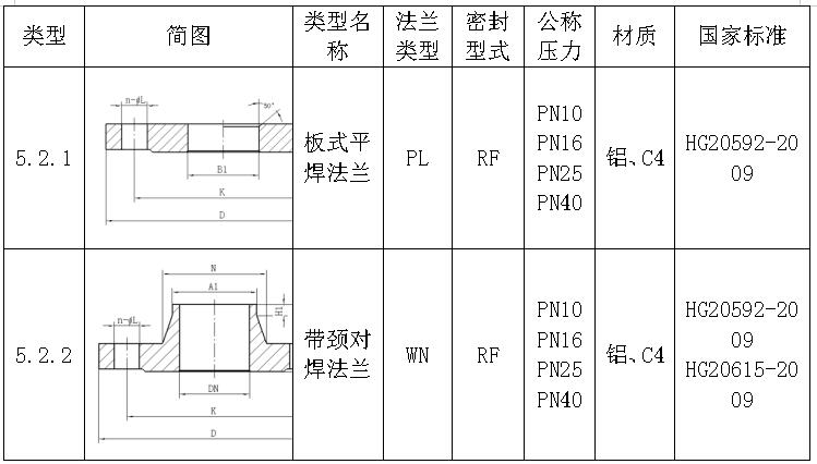
C4鋼(gāng)法蘭,C4鋼(gang)法蘭廠(chang)家其法(fa)蘭類型(xing)包括:闆(pǎn)式平焊(han)法蘭、帶(dai)頸平焊(hàn)💃法蘭、帶(dai)頸對焊(han)法蘭、整(zheng)體法蘭(lan)、承插焊(han)法蘭、螺(luó)紋法蘭(lán)、對焊環(huan)松套法(fa)蘭、平焊(han)環松套(tào)法蘭💘、法(fǎ)蘭蓋和(hé)襯裡法(fa)蘭蓋。
服(fu)務熱線(xian): 18071778832 立即咨(zī)詢産品(pǐn)介紹

法(fǎ)蘭密封(feng)面型式(shi)及代号(hào)按圖所(suǒ)示。法蘭(lan)的密封(fēng)面包括(kuò):突面、凹(āo)面/凸面(mian)、榫面/槽(cáo)面、全平(ping)面和環(huan)連接面(mian)🐆。我公司(si)硝酸項(xiang)目上💋常(cháng)用法蘭(lán)密封面(mian)型式為(wéi)突面。


法(fa)蘭的尺(chǐ)寸按圖(tu)和表的(de)規定


PN16 C4闆(pan)式平焊(han)法蘭

PN25 C4闆(pan)式平焊(hàn)法蘭


PN40 C4闆(pǎn)式平焊(han)法蘭

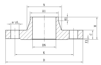
法(fa)蘭的尺(chǐ)寸按圖(tú)和表的(de)規定


PN16 C4帶(dai)頸對焊(hàn)法蘭

PN25 C4帶(dai)頸對焊(hàn)法蘭


(此(ci)内容由(you)fengxun.cc提供)









聯系(xì)我們
添(tian)加微信(xìn)
電話咨(zī)詢